The ZX81-Megabyte Board

The GIANT board already is a big memory expansion, but 1 MB of RAM does open up entirely new possibilities for the ZX81!

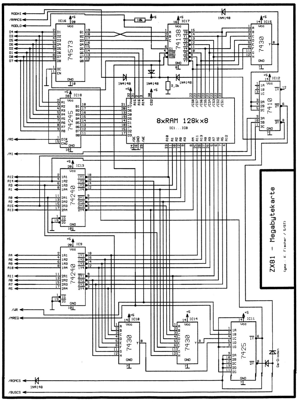
The board makes use of static RAMs. This means that battery backup of the memory content is possible. All standard pinout SRAM ICs with 32 pins or less can be used in the board's sockets. This means that the maximum possible RAM memory expansion with this board is 4 MB, however this would be very expensive.(one RAM IC would cost about 25 USD, and 8 ICs would be needed...) 8 ICs of 128k x 8bit provide a full megabyte of RAM, and these ICs at present cost about 4 USD.

Of course this much memory is not possible in our case without the use of bankswitching. The entire memory area of the Megabyte board is devided into memory banks of 16kB, that add up to a maximum of 4 MB. (256x16kB=4096kB) The memory bank that is activated can be accessed in the 49152 - 65535 memory area of the ZX81. In this case, the Giant board will be disabled in the 49152 - 65535 area.

The bankswitching on the Megabyte board is made possible by yet another POKE-Board, which is integrated on the Megabyte board itself. The POKE address is 9, but this can be changed on the board. With this POKE address the banks can be selected by a POKE 9,X command, where X is the number of the bank that is to be activated. X can be a value from 0 to 255 for 4MB, and when 1MB is used, X ranges from 0 to 63.

Good news is the fact that the logic circuits on the Megabyte board are accomplished with regular TTL ICs, so no GALs are needed!

The layout of the PCB is done in such a way, that not all eight sockets need to be filled with RAM ICs. As a minimum, for example, 128kB can be used. The entire circuit is implemented on a single 160x100mm PCB.


The circuit can be found here!


Kai Fischer, ZX-TEAM

last updated Aug/98